- 時間:2023.02.28
- 瀏覽數量:38
? ? ? ?2023年1月19日,河南省發改委、河南省工業信息化廳、河南省自然資源廳以及河南省生態環境廳四部門聯合發布紅頭文件。 ? ? ? ?在這份紅頭文件中,被清出“兩高”的行業中,與耐火材料直接相關的有兩個,剛玉(耐火材料及耐火材料基本原料)和耐火材料(有燒結工序的)。 ? ? ? ?2021年,河南省生態環境廳、省發改委相繼出臺了堅決遏制高耗能、高排放項目(以下簡稱“兩高”項目)相關實施意見。在相關實施意見文件中明確提到“嚴格‘兩高’項目環評審批”,項目范圍明確提到涵蓋耐火材料(有燒結工序的)。這也就意味著耐火材料(簡稱耐材)產業被作為限制類產業,原則不允許改造和擴建。 ? ? ? ?耐火材料是高溫工業、國防軍工、國家重大工程項目及新型戰略產業發展不可或缺的基礎、支撐材料。在國際上,歐盟等有關組織將耐火...
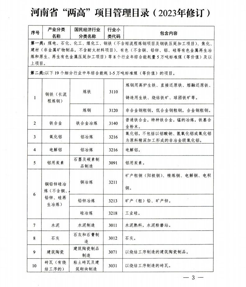
? ? ? ?2023年1月19日,河南省發改委、河南省工業信息化廳、河南省自然資源廳以及河南省生態環境廳四部門聯合發布紅頭文件。




? ? ? ?在這份紅頭文件中,被清出“兩高”的行業中,與耐火材料直接相關的有兩個,剛玉(耐火材料及耐火材料基本原料)和耐火材料(有燒結工序的)。
? ? ? ?2021年,河南省生態環境廳、省發改委相繼出臺了堅決遏制高耗能、高排放項目(以下簡稱“兩高”項目)相關實施意見。在相關實施意見文件中明確提到“嚴格‘兩高’項目環評審批”,項目范圍明確提到涵蓋耐火材料(有燒結工序的)。這也就意味著耐火材料(簡稱耐材)產業被作為限制類產業,原則不允許改造和擴建。
? ? ? ?耐火材料是高溫工業、國防軍工、國家重大工程項目及新型戰略產業發展不可或缺的基礎、支撐材料。在國際上,歐盟等有關組織將耐火材料定性為 “戰略材料”。河南省的耐火材料整體技術在國內領先,且年產量占中國耐材產量近50%, 為國內耐材品種最全的產業大省,更是河南省特色和優勢產業。國家及相關省份都未將耐火材料列入兩高行業,因為這兩年來,很多耐材企業老板都感覺是越來越難。
? ? ? ?2021年和2022兩年內,在耐材行業的多次行業會議中,河南省耐材協會靳會長也都提出耐材企業要發展,必須得走創新的路子,不僅僅是裝備的智能化提升,更是要加大企業產品技術的創新力度,企業要迎合市場發展,就要走綠色、節能、創新這條路。
? ? ? ?現在耐火材料兩高的帽子摘除之后,耐材企業有了產業政策的支持,耐材企業將迎來新一輪的發展機遇。鄭州真金公司將緊跟國家步伐,對耐火材料不斷革新創造,節能降耗、智能制造,引進脫硫脫硝設備,實現綠色生產,為行業做出良好表率,為民族品牌建設服務。

(來源:找耐火材料網)


